|
DAC4395
DC 5687裝機報告 by steven Chen |
|
- 前言:
在做完6c45pi後級後,一直沉醉在一片音樂聲之中,樂此不疲,後來一直思考著自己的系統要如何改進,這可能是DIYER的壞毛病,也是DIY的樂趣所在.,於是乎有了做個tube輸出的DAC的念頭.
在跟立民兄討論一陣子後立民兄寄來了一片AK4395的PCB,於是這個真空管輸出的DAC就有了雛形……
|
|
- 線路設計:
翻了一下抽屜里發現還有一些5687及T30變壓器,還找到一個小小的switching power supply (5V, 2A)這下連電源都不用麻煩了.
- 本想用5687做個BUFFER當個緩衝調音就好了,後來一直懶得做正負15V的電源(DAC
OP用的),乾脆直接用tube輸出,同時也試試自己的功力.
- 到google查了一下AK4395的DATA發現它的類比輸出部分是差動輸出(平衡輸出)於是當下就決定了,用5687差動輸入當DAC的輸出級.
- DAC晶片的類比輸出部分通常是接一LPF(低通濾波器)來濾掉DA轉換時產生的高頻雜訊(應是100KHZ以上,若有誤請指正),tube不加負回授,不用恆流源等線路來補償頻寬時,高頻頻寬也應不會超過這個數值吧!!!!!!
先做了再說吧!!!!!
|
|
- 由於AK4395每聲道的兩個輸出端都約有2.5V的直流電壓,且輸出電壓最高為2.5V
AC,為取得tube工作時之柵負壓,所以此時陰極偏壓至少應為DC5V
- ,此時的柵偏壓為負2.5VDC(以tube陰極為參考點).陰極偏壓決定後,可以依照tube的曲線圖算出線路圖各個電阻值及電壓值了.
- DZ已有那麼多的管機裝機報告及線路分析的文章,大家就自己算吧!!!!這樣若是想改用其他的tube也難不倒大家了!!!!
^_^
- 實做時DAC電路板上的R7,R8,R9,R10,R14,R15,R16,R17,C17,C23還有OP都不用裝,已裝上的要將這些零件拆下(應不是件困難事)
|
|
 |
|
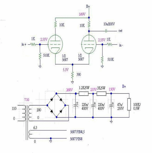
- 圖說:5687差動輸入線路,電源部分是雙聲道共用.
|
|
- DZ出了這麼多的管機的裝機報告,這個線路對大家應是輕而易舉吧!!!!!以上數值是實做值
|
|
- 實做:
依線路圖到鎮上的小小材料行買了所有零件及機箱後,展開了漫長的挖孔工作,尤其是光纖輸入部分,這是最大的工程喔,買了把方形小銼刀,慢慢的把這個小方形孔挖出來,施工時一邊想,這個孔弄好後應就完工一半了.
|
|
- 因為是手搭棚,在把所有零件固定後,習慣上先舖一條2.0mm的裸銅線當公共地線後.依線路圖一個電阻一個電阻慢慢的焊接上去
- .零件都焊完後再檢查一遍,沒問題後送電試機,拿起電表量了一下各個工作點和原設計值差不多.
- 接上6c45後級及DVD player放了片CD原本以為從此就可以過著幸福快樂的日子了,但事與願違,居然沒聲音.於是展開了debug的探險.
|
|
- debug:
- 用手碰了一下5687的輸入端喇叭傳來一陣嗡嗡聲,嗯….真空管放大的部分應是沒問題.
- 用電表量了一下CS8414的PIN28為0V,光纖拆掉時為+5V,
嗯….數位接收也沒問題.
- 這樣問題應是出在AK4395上了,量了一下各個工作點,發現AK4395
PIN4的電壓為0V,但正常工作時應是+5V才對,
- 嗯…….原因出在這裡,用電表量了一下PIN4與”電源地”之間有短路的情形.
由於AK4395的焊線實在太細小了,在debug時PIN4不小心從封裝處弄斷了,只好由R4接條小銅線接觸在AK4395的PIN4上再用熱融膠固定,不知能維持多久.
|
|
 |
|
- 圖說:AK4395的差動輸出,圖中熱融膠固定的是AK4395的PIN4與R4的接觸點
|
|
 |
|
- 圖說:5687_tube_DAC內部圖,手搭棚.線材是一般的控制配線
|
|
 |
|
- 圖說:C-R-C電源濾波,可改C-L-C濾波,音質應可再升一級
|
|
 |
|
|
|
 |
|
|
|
 |
|
|
|
 |
|
|
|
 |
|
- 圖說:超難挖的方形孔(光纖輸入)這次最大的工程就是這個
|
|
- 試聽:
debug後,把家中原先看電影的DVD機拿來一試,和原先DVD的類比輸出音質音色上真是有如天壤之別.
- 放上熟悉的CD,一股樂聲流暢的從喇叭頃洩而出,細細的聆聽之後,使我不禁懷疑這是我曾聽過的CD嗎?訊源對整個音響系統的影響可以從這裡聽出來.
- 尤其是小功率管機,朋友聽過我的tubeDAC+6c45+FE103BK後不敢相信這是僅僅0.7W的機器所發出的聲音,還直說他家里的150W的怪物有什麼用呢??
^_^
真是爽啊!!!!! 不禁 長笑三聲!!! 哈 哈 哈
|
|
 |
|
- 圖說:tube_DAC搭配普通DVD機打敗許多的高檔CD機.
|
|
- 後記:
在這些DIY的過程中,學到了很多,以前學的電子學,無論老師講怎麼清楚,一考完試就都忘光光,10多年後藉著DIY音響系統的機會又複習了一遍,有種悟道的感覺.可是還要學習的地方還很多,想要做的東西也還很多.所謂
“任重而道遠”應是這個意思吧!!!!!
- 接下來若有時間的話想接續這個線路,做個5687直接交連PP放大,這樣可以把交連電容拿掉,達到全機無交連電容的境界.
- 這樣還可以仿 AUDIO-KING 做個 ” 玩盡5687 ” 的專題呢?????
從DAC,前級,單端後級,PP後級………..
|
 |
|