|
另一種感動—5842直交6B4G
by 阿犬 |
|
- 話說六月初,那時正在玩211的時候,聽到李兄說,接下來他想要團購2A3套件,問我有沒興趣,那時我正忙於我的211,同時間手上還有一部71A正在備料,於是便顯得興趣缺缺,結果後來隨著211計畫的告一段落,而71A的計畫又因為喇叭匹配的問題被迫終止,恰好這時,夢席兄說到他買到了四隻6B4的老管,問我有沒興趣,我想了一下,想說反正手上現在也沒計畫,乾脆來組一部6B4跟2A3比較一下音色有何不同,(6B4是燈絲電壓6.3V的2A3),反正暑假閒閒的,弄台機器來玩也不錯。
- 當6B4拿到手後,就想說既然要裝,乾脆就搞大一點,規格高檔一點(管整流+LCLC濾波+屏極負載電感),機箱用李兄的木框機箱,質感一定不錯,結果木框機箱買了後,在跟夢席兄的閒聊中,他說他手上還有一個之前買的機箱,問我有沒興趣,再瞭解下去,我二話不說就把他A過來了(最大的原因是因為他洞已經鑽好了),同時也被我探知李兄手上有汞蒸汽整流管,那還有啥好說的,順便A了就是,結果在李兄那裡,又”不小心”遇到火龍兄,剛好他手上有個很漂漂的CHOKE,哈哈,一樣難逃魔手,突然間覺得有點寒意,拿那麼多東西會不會遭天打雷劈阿!
|
|
|
|
|
|
- 說趕的巧不如趕的好,一時間就把主要料件就備齊了
- (上圖中左邊那兩顆電感就是羅老師的屏極負載電感),那自己自然也要出點料阿,好那我就出OPT好了(反正先聽聽,不滿意再說),那線路呢?這時耳邊想起李兄的一句話,只要是朋友會的,一切好談,既然如此當然火速電CALL吾輩中最精打細算的,不不不……….是計算能力最強的盈良兄,請他算張電路圖來,同時變壓器也順便附送一個來,這種一舉兩得的事情,也只有我這個聰明人能想到,哇哈哈哈……(通常越聰明的人到後來死的越難看)
|
|
|
|
- (上圖中左手邊是盈良兄的變壓器,右手邊是火龍兄的CHOKE)
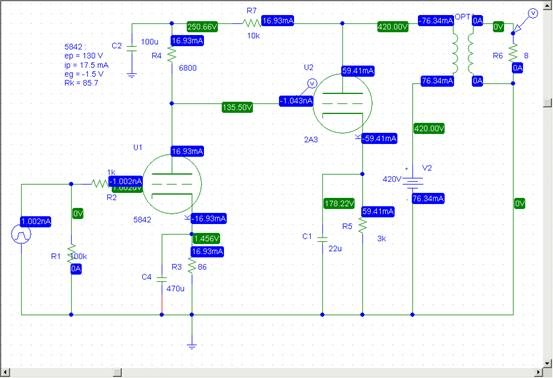
結果盈良兄給的是直交的線路圖,我這個人有點怪癖,就是喜歡跟人家不一樣,所以拿到線路圖後,就想要改容交,想說只要壓降就可以了,結果呢?聰明反被聰明誤,在電子學觀念十分肉腳的狀況下,在功率級屏極上居然接上一隻5K的電阻(詳細電路可看下圖)
|
|
|
|
|
|
|
|
- 想像把上面那張圖功率級屏極上加上一隻5K的電阻就對了,好啦直流壓降到250V了,但是呢!各位看官,看出啥不對了嗎?對了對了,就是此時接到OPT的組抗變成了5K+3.5K結果當然是沒聲音(功率太小了),對於有經驗的人可能會覺得很好笑,但是這就是初學者會犯的錯誤
- 這條路行不通後,還是想改容交,我就想如果上面壓降不行的話,那我就把陰極電壓墊高吧,這次開始對了,好吧!就如此,算到一半時,又發現此理不通,因為功率管陰極電位,關係到負偏壓,如果電位墊高後,又採取電容交連的話,會導致功率管陰極電位負偏壓深於推動管屏極電壓,而降低功率管的陰極電位又不可行,所以我只能想到唯一的途徑就是直接交連電路,轉了一大圈還是轉回原來的路子,其實要改容交,也不是沒別的法子,濾波方式要從LCLC改成CLC,然後用260-0的變壓器抽頭,我想應該是OK的,但是我就說,我是個龜毛的人,不用LCLC濾波,我就不要,所以了,棄容交改直交了。至於搭棚出來聲音如何呢?我只能說,我的老婆很滿意。
- 下面是我搭棚的幾張圖
(這是機殼後方的零件配置圖)
|
|
|
|
|
|
|
|
- 搭棚完成圖--圖中咖啡色電容是退交連電容100U450V
藍色電容是HITACHI電容220U350V
|
|
|
|
- 左右兩邊的水泥電阻是功率級陰極電阻,中間是推動級壓降電阻,而那些橘環的是壓降電阻的一部份。
|
|
|
|
|
|
|
|
|
|
|
|
|
|
|
|
|
|
|
|
|
|
|
|
|
|
|
|
- 輸出變壓器實在太醜了
要想辦法作兩個罩子蓋上才是
- 在此感謝所有幫過我的人
阿犬於2004/08/05台北
|
|
|
|
|
|
|
|
|
|
|
|
|
|
|
|
|
|
|
|
|
|
|
|
|
|
|
|
|
|
|
|
|
|
|
|
|
|
|
|
|
|
|
|
|
|
|
|
|
|
|
|
|
|
|
|
|
|
|
 |
|