|
CD-100改機篇
by Joy |
|
|
|
|
|
- 在參考了許多改法,又加上CD-100體質不錯(用料不差),電源跟電容升級空間有限CP值不見得會高,反倒是OP跟Clock是最佳改機CP值最高的
|
|
- 升級一、改OP
- 原廠OP是用OPA2604(外銷機是用OPA2134),在聲音表現只能算普通,任何一台DA出來的聲音都比OPA2064好,OPA2134需要改過的DA或高階的DA方可取勝;所以徵購OPA2627或OPA2111是最好的選擇。
|
|
|
|
- OPA2111聲音解析非常好,剛換上就可以聽出很大的差異性,高、低音量感明顯增加,聲音解析的細膩度不輸給高階DA;
- 在輸出交連電容並上MCAP電解電容4.7uf+油質電容0.1uf讓聲音圓滑些。
|
|
|
|
- 升級二、加裝Pure Clock!!Pure Clock … 好貴喔!!
- 當時會加裝是被網友慫恿的,起初以為效果不會有很大進步,那知…不裝還好,一裝上,怪怪…又好比換了一顆更高級的OP;沒想到OPA2111搭配Pure
Clock是「如虎添翼」,聲音解析的細膩度在尾音收斂上更準確,音場立體度更為明確,可以說…不放過任何小細節,真是DIY的高CP質。
|
|
 |
|
- 升級三、Clock±1ppm VS ±50ppm
- Pure Clock±1ppm … “貴、貴、貴”,心想…我又不是住在早晚溫差2~30°的「窪地」或「沙漠」或「高山」,又不是帶著CD
Play世界旅遊,以台灣氣候只有「高海拔山上」適用吧,雖然誤差1ppm在人耳聽感上畢竟是有限的,這讓我起了一個念頭…±25ppm、±50ppm、±100ppm單價便宜的Clock何不換來試試呢?
|
|
|
|
|
|
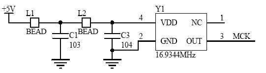
- 拖網友「GGT」的福氣,買到±50ppm的Clock,二話不說洞洞板拿來焊上去,加電源採LCLC濾除雜訊(原廠線路只並一個0.1uF
pp電容),唉、桃園電子材料行盡然不知BEAD(磁珠)是什麼,只好隨手買了2個10uH的電感來用,C1=10uf+0.01uf,C2=0.1uf。
|
|
|
|
- +5V直接拉CD裡的7805/+5V輸出接上Clock;開始5張CD的試聽,我自己試音聽的方向是:
1. 大編制交響樂,所有樂器會不會亂。
2. 琴聲、金屬聲尾音有沒有拖。
3. 低音鼓有沒有糊,位置對不對。
4. 小鼓(爵士鼓)鼓邊位置對不對。
5. 人聲喉音順不順。
- 經過2小時的反覆試音,呵呵…我偷笑了,果真如預期般的結果……沒有差別。
|
|
|
|
- 天ㄚ…Clock±1ppm VS ±50ppm盡然平手(我的聽感),但是兩者總成本差10倍之多
- (「±1ppm=$2,200」>>「±50ppm=$200」)。
- PS:希望這一篇CD改機,可提供一些網友多看、多聽、多比較的機會
|
|
|
|
|
|
|
|
|
|
|
|
|
|
|
|
|
|
|
|
|
|
|
|
|
 |
|