|
CS3310紅外線數位音量控制套件
By hn702906 |
|
- 前言:
- CS3310遙控紅外線音量控制模組是一套很方便的音量控制器,除了遙控音量之外,還加入了其他的功能
例如可藉由此套件與電源開關連接,達到遙控開機的目的.
- 也是在偶然的機會下與Spocklee兄接觸到,才了解到這個套件的好處,寫個裝機報告給大家參考一番,有想玩玩的朋友們可以參考Spocklee兄的網站http://smartlee.idv.tw/picpage.htm看看..
|
|
|
|
|
|
- 分析:
- CS3310紅外線數位音量控制套件(以下就簡稱CS3310套件),有很多版本,在這裡大約整理一下,讓各位可以一目暸然
|
|
|
遙控音量控制 |
面板手動控制 |
聲道數 |
搖控啟動 |
訊源選擇功能 |
平衡輸入 |
C版 |
有 |
無 |
2 |
可外接 |
有 |
無 |
C4版 |
有 |
無 |
4 |
可外接 |
有 |
有 |
C6版 |
有 |
無 |
6 |
可外接 |
有 |
無 |
F版 |
有 |
有 |
2 |
可外接 |
有 |
無 |
|
|
|
|
- 不論是任何版本的CS3310套件都還有許多功能並未能詳細列出,不過最重要的還是在音量控制的部份,先來一張圖片
|
|
 |
|
|
|
|
|
- 基本上不管是那種版本的套件,都有共通的一些基本項目,例如:音量控制(廢話!!),靜音,遙控開機,訊源選擇,若要分別出不同的版本,大概是在一些附加功能上有所區別,例如”左右聲道互換”或是”多聲道各別調整”等等…別被眾多版本給嚇到了.
- 以一般的二聲道裝前級來說,選擇F版即可,若是平衡式的前級,可以選C4版,若玩到六聲道的機器,選C6版就沒錯啦~
|
|
- 剛剛拿到套件時,請小心的清點零件,別急著裝起來,好好的研究一番,首先從電源的部份開始裝,按照零件高低順序由低到高慢慢焊上,因為PCB擺列零件比較擠一點,,必須要小心焊接,不要短路了(尤其是IC座),等到都完成之後,先確定送電位置:
|
|
 |
|
- 電壓要送對喔,不然會一江春水向東流~~
- 由圖中可以看出必須要二組電壓, 12V-0及9V-0-9V的變壓器次級,電源的零件可以選用好一點的,這部份影響聲音會有些不同,
- 再來看一張另外角度所拍攝的:
|
|
 |
|
- 這樣就很清楚了,再次提醒各位,送電前LCD先不要插上,量測整流出來的電壓是否正確
- ,量測時將電錶打在DC檔,可以量出在C28有-5V的電壓,C27為+5V的電壓,而C27與C28連接的地方為Gnd
另外量取C35是否為12V,若是,那恭喜您已經成功大半啦,接下來就是斷電,再裝上CS3310及LCD上電看看是否正常工作?LCD不要接反,不然會馬上燒毀的~
- 如果您要用遙控開啟擴大機的電源(遙控開機,炫吧?),CS3310套件也內建了此項功能,只要接上PCB的J7或J8,到繼電器控制變壓器的電源,共有二種接法
|
|
 |
|
- 圖說:第一種,只用一個Relay控制變壓器是否開或關
|
|
 |
|
- 圖說:第二種,加上延遲開機的功能,用在大功率的後級非常適合
|
|
 |
|
|
|
|
|
|
|
- 再來談談訊號選擇模組的接法,很簡單的,如果是用Keces的訊號選擇模組,將連接線這麼接:
|
|
 |
|
|
|
- 再將另一端接在CS3310套件的PCB上的J9,位置如下:
|
|
 |
 |
|
|
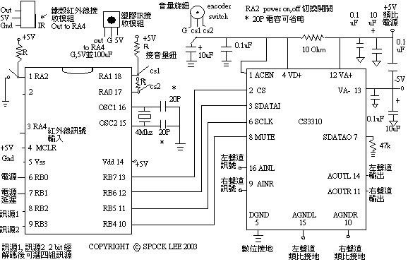
- 第三點是音量控制的接線法,共有三組(6聲道),不過在這裡是用到2聲道的F版
所以只有一個CS3310而已,看圖比較快:
|
|
 |
|
- 圖說:
中間那腳是Gnd,右邊是輸入(Input),左邊是輸出(Output),上面的為右聲道,下面的為左聲道
|
|
- 大致上的功能該有的都有了,附加的項目也非常實用,安裝也很簡單,只要細心加上一點耐性,相信您也可以享受到無線遙控的魅力喔.!!
- 以下附上完成圖的照片(是臺北蘇先生的機器,機箱是阿魯米機箱)給各位參考看看
|
|
 |
|
- 聲音真的很好聽,價格也很漂亮,不到2千元就可以享受到,絕對是您最佳選擇!
|