|
DAC
1855 DC 5687 從零開始 by 我是小胖子 |
|
|
|
- 會想寫這個主要是想把一些自己從什麼都不會開始的一些歷程,常常苦思不得解的問題,寫出來。讓一個徹底的新手也可以試試DIY的方式。本篇主要是參考<<由Steven
Chen兄所做的DAC4395 DC 5687真空管輸出,身為DIY迷的你,不可不看!!>>一文完成。也可視為該文的補充說明,主要是給新手看的,若多有謬誤或很囉嗦,嗯!也是很正常的
|
|
- 最重要的原則:
細心是很重要的,因為我就是一個不太細心的人,所以很深刻的體會這句話。
|
|
|
|
- 接下來說明一下烙鐵使用的一點心得,如有謬誤之處,請再指教:
1. 焊鍚這種東西的特性是它會貼上夠熱且有金屬的點,而只要烙鐵有接觸到的地方,熱就會傳導過去。所以通常是一手拿烙鐵,一手拿著焊鍚,而零件則是讓電路板壓在桌上,或將腳稍微折一下固定他的位置。(零件要儘量貼平,以免變成天線。不過有些高瓦數的電阻,要拉高一點方便散熱。)
|
|
- 將烙鐵的尖端點在電路板上的焊點上,烙鐵的邊靠在零件腳下,則可以形成一個小三角形,這個小三角形是建議的進鍚點,進鍚的量稍加練習就可熟悉。通常一個焊點可以在三秒鐘之內完成。
|
|
|
|
- 2. 防止冷焊與包焊:
通常好的焊點,看起來焊鍚是會和零件腳貼得很好。新手可能在有時候會覺得焊得都很順,怎麼突然有一點一直都焊不好。可以注意如下所述的問題。
|
|
- 在一片通常在DZ訂來的電路板,底色是深綠色的(A點)是不導電不導熱的。而有銅鉑走過的地方則是淺綠色(B點)是導電且導熱的。如D點的焊點,只和其上方的焊點是導通的。而如C點的焊點和其周圍一大片都是導通的。
|
|
- 所以當一個新手努力的記得三秒要完成,深怕燒壞零件的時候,C點通常都會焊不好,會一直看到焊鍚黏在零件腳上不肯跑到電路板上。為什麼會發生這個情形呢?主要是因為C點連接的銅鉑面積太大,這些部分均成為可散熱的面積,在三秒鐘之內,電路板上的C點無法達到足夠的溫度。通常遇到這樣的地方,可以先將烙鐵靠在焊點上=>心中數個30左右,讓整個區塊預熱=>將烙鐵靠上零件腳,再進鍚。
|
|
|
|
|
|
- 廢言區:此刻的DZ上有DAC1855Kit及DAC4395-lite可供選擇,若要改成管輸出,則只要有一組5V的電源即可,若使用最簡單的DA-1716kit穩壓模組,穩壓晶片一定要散熱,而且空間很小。所以還是用DZ
FAST-5V單電源精密穩壓套件,或自己搭一組也可以。DAC1855有reset的問題,還是4395好~
|
|
- 在Steven chen一文中有一點提到--實做時DAC電路板上的R7, R8, R9, R10, R14,
R15, R16, R17, C17,C23還有OP都不用裝,已裝上的要將這些零件拆下應不是件困難事。
|
|
- 比對Data sheet(在Google上找AK4395 datasheet)發現這一部分大概都是Low
Pass Filter的部分吧(Datasheet page21)。再比對原文中的電路圖和圖片,我就自己以為(這是個危險的習慣)其中的四支電阻,就是電路圖上面在Vin附近的1K電阻。至於在文中第一張圖的其它東西為何要裝上去,我也不太明瞭哩。
|
|
- 假設DAC的部分可以搞定,那麼在如DAC4395 lite中如下圖的四個點A~D
對地應都可以量到2.5V左右的電壓。再看一次AK4395 datasheet Page21,可發現,pin20~pin23分別是Analogue
out的R-,R+,L-,L+。在下圖中的A~D四個點,就分別是從這四個腳拉出來的。
|
|
- 這四個點,也是Steven chen兄的原文中電路圖中要取的:Vin+,Vin-。
|
|
|
|
- 把同樣的東西移動到我的AD1855上。查看AD1855的Datasheet可發現Analogue out分別在12,13,16,17這幾支腳。再對上原來的PCB可發現圖中的A點大約是Pin1的位置,而標X的四個點,應該是走晶片下方出來的我們要取的四個點。
|
|
|
|
|
|
- Part 2: 管輸出部分:
在這一部分,起碼要先了解三極管的基本原理,建議可以去看DZ電子學教室中的幾篇文章,看完應該就可以了解個大概了。說明幾個重點:
|
|
- 1. 若依最常見的組態,則輸入和輸出是反相的,這是什麼意思呢?
就我的了解來說,聲波轉換成電之後的形式是一個波,也就是一個交流的形式:若在某一點是要往上的,則在這一點的Analogue out +會輸出上,而Analogue
out – 會輸出下,而經過三極管之後,會反相。就是說上輸入會變成下輸出。
看一下Steven Chen兄的電路圖,如圖中的out是接在Vin –的地方,剛好可以得到原來的訊號的相位。
|
|
|
|
|
|
|
|
- 為什麼這樣的結構可以濾波呢?我自己想到的解釋是這樣的:
首先要有兩個很簡單的想法1.在並聯的兩個元件看到的電壓是一樣的。也就是說在圖中的a 電容和b電阻之間,他們在任一時刻所得到的電壓是相同的。另一個概念是串連的兩個元件,在兩端加電壓,則阻力較大的元件分得較多的電壓。如圖中的a’及b’電阻,因為b’較大,所以會分得較多的電壓。(
268-233 < 233-150)
|
|
- 如果念完國中之後,通常都會知道電阻這種東西,另外有被稱為電容與電感的元件。除了大家都知道的電阻之外,還要一個名詞是”阻抗”通常的符號是X,可視為對交流電的電阻。
|
|
- 電容的阻抗X-c頻率越高,則阻抗越低。而電感X-L則相反。電阻的阻抗則和頻率沒什麼關係。而因為直流的頻率為0,所以X-c是非常高的。
|
|
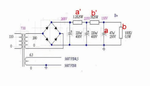
- 市電經過變壓器之後,經過橋整,再經過第一個電容之後,會變成一個含有直流成份與交流成份(120Hz)的電。當這個電到了如上圖中圈圈的部分,可見有一個1.2K/5W電阻及一電容。
- 對交流的成分而言,因為電阻的阻抗>電容的阻抗,所以大部分均分壓在電阻上。而直流的部分,因為電容阻抗>>電阻阻抗,所以大部分分壓在電容上,所以對電容的兩端而言,也就是下一級RC的兩端,看到的幾乎是直流。
- 從另一個角度來看:因為電容對交流成份很容易通過,所以交流部分很高興的通過電容回家了(回到地端)。LC濾波的原理應該也類似吧。
|
|
- 接下來說明一下5687真空管的部分,為什麼選擇這個管子呢?其實我也不知道,不過我想應該是因為這支管子的放大率比較低的原因吧,好像在某篇相關文章中看過。先找來datasheet,也是在Google上找tube
datasheet 5687 pdf這樣多看幾個站就可以找到了。在datasheet第一頁可以得到的資訊如下:
- 1.支雙三極管(就是一支管子裡面有兩個分開的三極管)
- 2.腳位對應
|
|
|
|
- 說明一下:關於燈絲的部分,見Datasheet第一頁
|
|
|
|
- 其中的4~5腳是燈絲的兩端,而8腳是燈絲的中間抽頭,根據datasheet所述,可以用6.3V(一邊接4~5另一邊接8),或者12.6V(一邊接4,一邊接5)。前者為並聯,後者為串連。燈絲可以用交流,或直流穩壓皆可。我自己是用12.6V接,主要是電流會比較小,缺點我就不知道了~
|
|
- 接下來用很隨意且不嚴謹的方式解釋一下真空管的運作方式,建議大家還是要看看一些其它的教學先。先看一下Datasheet中的這張圖
|
|
|
|
- 選一條線,在X軸上移動。這張圖告訴我們一件事,當我們屏壓固定時(線上的數值),我們用一個交流的訊號,在Grid上搖來搖去(提一個大家都會提的:Grid的電壓為負值,為相對Cathode而言),則屏流會改變。
|
|
- 如果我們串上負荷電阻,經過R*I=V,就可以得到輸出用的電壓。又圖中有一部分是較直的,這一部分是線性的部分,也就是選工作點時要注意的,要選在線性的部分。
再來看一張大家都會看的圖:
|
|
|
|
- 這是一張屏壓和屏流的關係。接下來說明選工作點的問題,什麼是工作點呢?就我的想法來解釋,就是當真工管在工作時,休息的那個點。當有訊號進來時,就從這個點上上下下。
選工作點很多地方都有教,所以只提幾個我自己隨意想到的。以下不保証正確。
|
|
- 1. 如下圖中的紅線是一條10K的負荷電阻在供壓為200V時的Working line,通過(200V,0ma)及(0V,20ma)兩點。當接上這個負荷電阻後,真空管的所有工作值都要在這條線上。這句話的意思就是,因為三極管中的電流主要都是有通過這個電阻,所以一定要符合這個電阻的歐姆定律。
- 2. 當供應電壓不同會有什麼結果呢?如上圖的綠線和紅線相比。則綠線在不同的Grid voltage的交叉點少,工作的範圍也小。不過對似乎也比較輕鬆?
|
|
- Part3:
<<由Steven Chen兄所做的DAC4395 DC 5687真空管輸出,身為DIY迷的你,不可不看!!>>一文的一些我的解釋,有誤請指教。
|
|
- 由於AK4395每聲道的兩個輸出端都約有2.5V的直流電壓,且輸出電壓最高為2.5V AC,為取得tube工作時之柵負壓,所以此時陰極偏壓至少應為DC5V
在AK4395 datasheet中,有一段如下
|
|
|
|
- 意思是說以Vcom這個值為中心,最大的時候會有一個2.4Vac的電壓,那Vcom是多少呢,按Ctrl-F找一下,好像是2.6V?
|
|
- 所以對地而言,當有一個最強的正向的訊號時。
A-out+應輸出的電壓為2.4Vac+2.6Vdc=5V
A- out-應輸出的電壓為-2.4Vac+2.6Vdc=0.2V
因為一般三極管的Grid對Cathode要維持負電壓,所以說Cathode最少要對地有正5V,這樣即使是當A-out為5V時,也不過就是變成Grid對Cathode沒有負電壓
|
|
- 在AD1855中 這兩個值分別是2.8Vac和2.5Vdc,圖片如下
|
|
 |
|
|
|
- 此時的柵偏壓為負2.5VDC(以tube陰極為參考點).陰極偏壓決定後,可以依照tube的曲線圖算出線路圖各個電阻值及電壓值了。
|
|
- 如上一點所述,柵偏壓差不多為2.6-5=-2.4
看一下Steven Chen兄的電路圖
|
|
|
|
- Load resistor=10K
- Eb=149V
- Grid voltage=2.55-5.3=-2.75
這幾個值在圖上畫出來如下:
|
|
|
|
- 可見,工作的電流約為7 mA,兩個三極管要*2
所以Cathode電阻值為5.3V/(.007*2)=378,嗯!和390差不多
|
|
- Input旁邊的電阻好像是為了防止震盪?就用1K吧~
510K的好像是為了防止Grid有電流,大一點就可以了
|
|
|
|
- 上圖的電壓就簡單了
268-7ma*4*1.2K~233V
233-7ma*4*3K~150V
電容的耐壓要夠,如果一開始先測試電源的部分,沒上真空管,則不知道最後一個250V是不是撐得住?
100K是洩流電阻,務必加上,不然會在很久之後碰到電容還「碰」一下!
|
|
- Part4: modification for DAC1855
因為電壓範圍稍大-0.3V~5.3V,所以將供應電壓稍微拉高了一點,將Cathode電壓也拉高一點,其它均相同。
|
|
|
|
- 基本上,就是照電路圖接一接,然後把變壓器放遠一點,我的程度也不是很好,又蠻窮的。嗯~原來的DA-1716kit可拿來當直流點燈用,不過如果燈絲用6.3V
並聯會有點不夠。加上兩個組合式散熱片,不然會有撥撥聲。
|
|
- 後記:
感謝Steven chen兄當初在討論區給我的指導 YA~
|
|
|
|
|
|
|
|
|
|
|
|
|
|
|
|
|
|
|
|
|
|
|
|
|
|
|
|
|
|
|
|
|
|
|
|
|
|
|
|
|
|
|
|
|
|
|
|
|
|
|
|
|
|
|
|
|
|
|
|
|
|
|
|
|
|
|
|
|
|
|
|
|
 |
|