|
A30線路分析
(中)by Captain |
|
|
|
|
|
|
|
- 圖1-a是原始單端的圖,如果希望輸出有最大的擺幅,在靜態工作時,通常控制在交連電容之前的電壓為1/2
Vcc,如果在加上一些周邊,這個電路就可以動起來,但是喇叭前串了一個影響音色的交連電容,當然要去之而後快,如果我們改變供電方式以雙極電壓即圖1-b那樣,就可以合理去除交連電容,在靜態工作時,控制輸出電壓為
0 V。以下以圖1-b,供應電壓 +/- 30 V,輸出30W-8Ω來說明。
|
|
|
|
- 這樣的線路,我們要先考慮的是什麼,首先Tr3要有一些偏壓以保持微微?動,一般AB類放大器靜態電流約十幾到幾百mA,設圖1-b中Rc為200Ω,靜態時輸出要控制在0V,流經上面電阻的電流,全數流到下面的晶體,這時靜態電流是
30V/200Ω= 0.15A。
- 依圖1-b的架構推演動作如圖2,Tr3的基極輸入一個負半波,晶體將截止時等效電阻大,Rc將輸出上提,產生正半波,電流是由V+流過Rc,流過喇叭後到0V。Tr3的基極輸入一個正半波時,晶體導通電阻小,Rc電流量大增產生壓降,將輸出下拉,產生負半波;電流是由0V流過喇叭,再流經晶體後,流回V-
。
|
|
|
|
- 線路看來已可以動作了,但是不可能達到30W-8Ω,因為正半波的電流是由Rc供應,Rc頂多只提供0.15A,要推動
8Ω負載,最大功率為 (I2R)=0.15A*0.15A* 8Ω=0.18W,0.18W能做什麼,5687後級至少還有1W咧。
|
|
|
|
- 我們再試用傳統A類30W來帶帶這個架構,一個30W的放大器它的電流是( ), ,?值是 = 2.7A,它要流過?值電流的一半即1.36A,可以提供(I2R)=1.36A*1.36A*
8Ω=14.8W,功率只有正常A類的一半。
|
|
|
|
- 看來單端線路中第一個問題出在Rc,它不能提供喇叭足夠的電流。Rc另一個問題是,如圖2,當輸出 + 10V時,Rc可以提供的電流反而減少了
20V/200Ω= 0.1A,當輸出-10V時,Rc可以提供的電流卻增加了 40V/200Ω= 0.2A。哇!Rc是來亂的嗎?一直在逆向操作,在正半波我們希望Rc提供多一些電流時,它卻變成限流器,而且輸出電壓愈高,電流愈小;在負半波我們希望Rc流少一些電流,以免晶體難以處理時,它卻”大量”供應電流,而且電壓幅度愈大,電流愈大:這個兩頭作亂的情形,使的放大器幾乎無法動彈。
|
|
|
|
- 單端放大看來比起傳統的放大器,要解決的問題更多,而且Rc是一戳就死的罩門,如何提供喇叭足夠的電流,更是關鍵中的關鍵,高貴幾10K的PASS單端後極和低廉1K的A30都要面臨的課題。
|
|
|
|
- 一個所謂的放大器,當然是放大啦,如唐凌前輩說要先”會響”,我認為30W就應該有30W的樣子,然後再要求”響的好”,否則您只追求A類,那好辦的很,找個阿狗阿貓的推挽放大,管它AB、B類,管它對不對稱,互不互補,調一調偏壓,隨便就是幾W的A類。
|
|
|
|
|
|
- 對單端放大的Rc我們的要求是:
1. 正半波時希望Rc阻值變小,能夠提供喇叭足夠的電流。
2. 負半波為了效率減少一些電流,希望Rc阻值變大。
|
|
- 其實我們真正的要求Rc是:一個與Tr3完全互補的元件,但是即使以現代科技看來,仍很難完全實現,PASS先生的單端利用類似真空管SRPP(註)的做法,也許有類似的目地,只是筆者學藝不精,無從置喙。
|
|
|
|
- 期待一個與Tr3完全互補的Rc是不可得的,而且 Rc不能只是單純的電阻,有一個直接的想法,如圖3,在線路上以一個開關代替Rc,在正半波時?動開關,用來供應喇叭的電流,而負半波時,開關不動作,此時等效的電阻高,這種的方式是否可行?我們再檢驗一下於Rc之要求:
|
|
- 1. 正半波時開關閉鎖,Rc阻值變小能夠提供喇叭足夠的電流。
2. 負半波正半波時開關開?,Rc阻值變大減少一些電流。
|
|
|
|
- A-30中的Rc就是圖4中的Tr2,接近Rc的理想,30W就可以是30W了,至少是音”會響”了。然後我們再討論如何讓它響的好。
A-30和其他動態A類一樣,要求是-靜態時提供足以使晶體待命的電流,動態時提供足以使晶體不截止電流。線路中Tr3是唯一的主動元件,只要Tr3始終流有電流,不截止,就是A類動作。
|
|
|
|
- 對這種要求筆者看來有兩種方法,一種是A-30方法,餵Tr3一個恆流,讓Tr3在任何時候都得處理恆流;另一種是PASS較傳統的方法,乾脆給Tr3一偏壓,使它工作在A類。這兩種方式,當然以PASS的聲名早就佔盡勝場,但是以線路簡單、動作合理來看,筆者還是欣賞A-30。
|
|
- A-30的恆流源,如圖4中的R9,R10,C5隨時充飽電在1/2 V+(約15V)的電壓,可以這樣說,有一個電壓固定的電池在R10上面(其實有許多電子電路之運用,以大電容代替電池),電壓固定、電阻固定、所以電流也固定,這就是恆流,順便一提的是R9,R10只有在靜止時所承受電壓是一樣的,動態時兩者不一樣,在此簡化不提C5充放電的動作;線路中R9承受電壓不變約15V,R10承受電壓在正半波時是(V+)-(輸出電壓+15V),但輸出超過15V後,C5上的電壓已超過V+,所以反過來向R9放電,這時R9承受電壓是(輸出電壓+15V)-
(V+)。R9在負半波時承受電壓是(V+)+(絕對值輸出電壓)-(15V),所以R9在負半波承受電壓較大,在動態過程中3/4時間R9承受電壓都比R10大,這是R9功率會較大的原因。
。
|
|
|
|
- A-30的恆流源只提供偏流(還提供Tr2基極電流),與Rc(只提供喇叭電流),二者的角色,明白的切割開來,各自做各自的事。因此這時的恆流源,早就脫離Rc的角色,單純的只供應Tr3的?動電流,而且巧妙的利用二極體D1,與輸出端隔離,因為恆流唯一的路俓是流向Tr3,所以強迫Tr3非處理恆流不可,如此Tr3的動作如下,在靜止時流過全部的恆流,負半波時要流過恆流加上來自喇叭的電流,正半波時也要流過恆流,Tr3在任何時候都要處理恆流,將不會截止。
|
|
|
|
- A-30有三個版本,為稱呼方便,分別為A-30(原音技60期),A-30 II(音技63期、69期),以及A30
AN(音技97期),其實架構幾乎都一樣,不同的只在偏壓方式,這裡所展示的圖4,應是掃描自已裝專頁而來,是來自diysong網友的相簿中,抱歉的是忘了大名,借此機會在此道歉及道謝。
|
|
|
|
- A-30,A-30 II,以及A30AN如何分別,以圖4來說明,圖中是A-30 II,A-30是把D4、D5短路掉,而A-30
AN是把D4、D5拿掉後裝上類似恆壓源的晶體線路
|
|
|
|
|
|
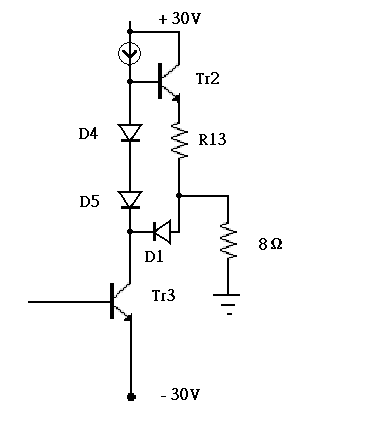
- 圖5 是A-30的偏壓線路,Tr2的基極和D1的陰極和Tr3的集極連在一起,恆流源的電流全部流向Tr3,靜態時Tr2是完全截止的(只有極少的洩漏電流),設Tr3和D1都是0.7V導通,靜態時Tr3的集極可能在+0.7到-0.7之間,當Tr3的基極有訊號時,Tr3的集極達+0.7V時Tr2導通,如同圖3的開關被按下,Tr2供應電流給喇叭,此時的D1是反向截止,您可以根本的忘了它的存在;當Tr3的集極達-0.7V時D1導通,
Tr2反向截止,您可以當Tr2是一個阻值極大的電阻。
|
|
- 如何?Tr2和D1動作合理而優雅的換手,唯一的主動元件Tr3並不會截止,這是A-30令人讚賞的地方。但是令人置疑的是,在+-7V後?動換手的機制,會不會聽的出來?所以這就是改成A-30
II的主要原因,筆者以為不必如此,如以0.7V起算,A-30它在0.06W(W=E*E/R,0.7V*0.7V/8Ω=0.06W)時就完成啟動,0.06W對喇叭而言是有看沒有到,尤其是低效率的喇叭,搞不好平常您的擴大機的啍聲就已經大過它了。
音技在60期發表A-30,音技63期就把它改成A-30 II,我聽到及裝機成功的都是A-30 II,反正也沒有能力分辨出好壞。依當時說明A-30會在
+-0.7V切換,如果事先崁上1.4V(如圖6的D4、D5),那我們就可以使Tr2和D1在大於0時(Tr2導通)或小於0時(D1導通)切換,因此改善了讀者對A-30在
+-7V切換的疑慮!依音技97期的說明A-30 II 約賣出600片,不知現在多少片存活?
|
|
- 對於二極體1N4001(D1、D4、D5)普遍的認知是順向偏壓大於電晶體順向偏壓,在圖6中假設D1和D5的順向偏壓相抵,D4上的順向偏壓大於Tr2的B-E間的順向偏壓,所以Tr2應該是導通的,那Tr2流過多少電流呢?可以從R13的壓降算的出來,如果D4上的順向偏壓大於Tr2的B-E間的順向偏壓0.1V,這0.1V就是R13的壓降,Tr2流過0.1V/0.22Ω=0.45A,這0.45A在靜止時全數流向Tr3,再加上恆流源的0.15A,共有0.6A流進Tr3,靜止時Tr3就消耗0.6A*30V=18W,如果反推它大約是一個”正常”
A類5W,可怕的是那麼小的散熱片,又沒有溫度補償的機制,晶體容易熱跑脫,今天不掛明天掛,如果沒掛那恭禧,您不見得是運氣好,也有可能是Tr2基極供電不足的原因,容後再討論。
|
|
|
|
|
|
- 從A-30到A-30 II改進了什麼,我覺得最大的成就是心裡的改善,實際上只是0.06W!?但憑空又消耗36W(18W*2),比原來9W還多3倍,並帶來隨時燒毀的危機。
|
|
- A-30 AN是一個實驗中的線路(如圖7),在期待中卻一直沒上場,在音技97期,梁老大並未勇於為音技官方說法-A-30是新A類辯解,反而乾脆說它不是A類。
|
|
- A-30 II確實是A類!它傲人的是恆流源方式及漂亮的切換動作,儘管也因此發生許多的缺點,但是不能因為它長的不像傳統A類,就說它不是A類。
|
|
|
|
|
|
- 在音技60期介紹A-30的譯作中,曾說這個放大器可以放在戲院中播音,可見穩定性應該很好,怎麼A-30
II的穩定性反而變差了?那A-30 AN有改善嗎?我斗膽的認為沒有,但是A-30 AN提供一個方法,調整Ra,Rb兩個電阻可以改變崁位晶體Trb的CE間電壓,如果可以調到使Tr2差不多截流了,而崁位晶體又有一些溫度補償的作用,那才是一條正確的路。
|
|
- 其實我並非不能接受梁老大認為A-30 II不是A類的說法,而是我覺得從音技60到97期,時間長達3年,版本經歷3代,只對於A-30是不是A類,有太多的著墨,但是對於它的致命缺點,卻隻字不提,放了一堆謎團,從此煙消雲散!唉!除了A類外還有更重要的東西呀。
|
|
- 1.A-30很容易振盪?
一般推挽放大在靜態時,所有的靜態電流從V+流向V-,如果中間電壓不是0時,差動放大就會檢知,調整負責V+的或負責V-的功率晶體,使它增流或減流,A-30的Tr2靜態時是完全截止的,只有極少的洩漏電流,但是只要有電流流向喇叭,中點的電壓就不是0而是偏正,於是IC將會檢知而使Tr3增流,奇怪的是,一定要等到D1順偏了(-0.7V),Tr2的電流才有可能流向Tr3,天下那有那麼恰好的事,Tr2洩漏電流加上恆流”剛好”等於Tr3集極在-0.7V的時候,可能一調整又過頭了,產生暴衝,又趕緊調回去,所以整個放大器調來調去的,這也算是振盪吧。
2.A-30 II的線路實際上Tr2不能提供足夠的電流:
|
|
|
|
- 主要原因是出在Tr2的電流放大率(hFE),圖8中MJE3055的規格中(hFE ),最大是100倍最小是20倍(在VCE=4V,IC=4A時),如果遇到一更慘的情況下,例如溫度過高,或是喇叭阻抗小於
8Ω持, hFE 可能下降,30W的放大器?值是2.7A,Tr2基極至少要供應2.7A/ hFE 的電流,R10供應的恆流源最多是0.15A,在hFE
下探為18倍以下時(2.7A/ 18=0.15A),Tr2就不能提供足夠的電流。
|
|
- 3. 恆流源不恆流:
電流放大率延伸的問題,A30 II 傲人的恆流源,使Tr3不會截止,但是為了提供Tr2基極電流,不但電流變動大,產生另一種失真,而且有時Tr2的基極搶走全部恆流,以致Tr3截流,也就是說Tr3將在B類工作,所謂的新A類就破了功,實在是成也恆流敗也恆流。
|
|
- 3. Tr1工作在B類?
老實說原先我不太懂Tr1(圖9上面的晶體)的相關動作,結果用笨方法-老老實實的畫圖。圖9的左邊是Tr1相關結構圖,右邊的OP-AMP圖,是用來比對用;Tr1和Tr3(下面的晶體)及一些相關的零件,組成一個非反向的放大器,它的電壓增益是(R6+R5)/R6,((22Ω+220Ω)/22Ω)等於11倍。
|
|
- 一下子不容易看出來Tr1流過多少電流,我們先從Tr3的基極看,因為恆流源的存在,Tr3要導通,基極的電壓至少是0.7V,那流過Tr1晶體的電流是0.7V/(R8)220Ω=3.2mA,此時R6上的壓降應該是0.07V,IC的第1腳之電位應該是-0.77V,這是一個平衡點,IC的第1腳之電位上昇時,輸出正半波,IC的第1腳之電位下降時,輸出負半波。
A-30 II供應+-30V,最大輸出大約在+-27V左右,IC的第1腳最大輸出在+-13V左右,R6的壓降為輸出的1/11-也就是在+-2.4V左右,所以Tr1的基極的在1.7V到3.1V之間。所以
IC足以推動Tr1。
|
|
|
|
|
|
- (1)當負半波Tr3導通時,和前面分析Tr2的hFE 一樣,我們發現Tr3的hFE 如果惡化到9倍時,Tr1要供應Tr3的基極是300mA(2.7A/9倍),R7壓降是300mA*100Ω=30V,Tr1反偏截止了,遑論要提供Tr3電流,而且Tr3除了?值電流外,還有恆流源要處理。看來A-30
II的功率晶體的電流放大率是應該特別注意的問題,應該不能用2N 3055裝機,因為2N 3055 在大電流時hFE 惡化到5以下。
|
|
|
|
|
|
|
|
- (2)為了說明方便,以左邊算起,圖4 中第1個放大稱為OP1,第2個放大稱為OP2; OP2和Tr1及之後的相關零件,組成一個反向放大,如圖10,(右邊的OP-AMP圖,是用來比對用)。OP2的負回授,是由圖中的
R3、R4 所組成,放大倍數(R4/R3)約6.7倍,與圖11中R6、R5 所組成回授並不同,圖11整體的電壓放大, 將會限於6.7倍,問題是兩者共用一個參考電壓(output),會不會又是各說各話的情形,如果不幸言中,動作時IC的第1腳可能甩離範圍,超出Tr1射極的0.7V以上?
|
|
|
|
|
|
|
|
- 例如A-30 II輸入+0.1V經OP1(7倍)放大,OP1第7腳輸出為-0.7V,再經OP2(6.7倍)放大,OUTPUT
輸出為+5V,OP2反向端(第2腳)為0V,所以輸出(第1腳)為0V,
Tr1的射極為0.45V,Tr1是不是已截止?看起來是這樣,不過應該是一整體回授考量吧,我的能力僅止於此。人人會做事後諸葛亮,我事後多年了仍然不亮,這些疑惑及猜測,在死無對證的情形下,現在都已經不重要了,天知道我裝的二台A-30
II如今下場如何(其中有一台還是用2N 3055裝的)。
|
|
- 經冗長的分析後您還敢用A-30 II嗎?如果我會再裝機的話(翻箱倒櫃,應該還有2片板子),也許我會如下的改進:
1. 找hFE 高的晶體,加大恆流,當然也可以考慮達林頓晶體或FET。
2. 改為圖6,但是只要裝1個順向的二極體崁位(0.7V),依前例計算可以在0.35V起算,它在0.015W(W=E*E/R,0.35V*0.35V/8Ω=0.015W)時就完成啟動,0.015W可能您的呼吸聲已經大過它了。
3. 或改為圖6,但是只要裝1個小於 8Ω的電阻,這電阻將有約1.2V左右的壓降。主要希望靜態時Tr2只要有一些導通就可以了。
4. 或;把二極體D4、D5、以中功率晶體(或用功率晶體)接成二極體(把CB短路)代替,這些晶體全部鎖上散熱片,以求溫度補償。
5. 依A-30 AN的方法,調整兩個電阻,使Tr2有一些導通,然後恆壓晶體鎖上散熱片,也是為了溫度補償。
|
|
|
|
|
|
|
|
|
|
|
|
|
|
|
|
|
|
|
|
|
|
|
|
|
|
|
 |
|