Aleph-P

    年初對於國內某 DIY 網站推出了一套 PASS Aleph-P 的複刻版,對它的聲音的通透性與高音的清亮有著深刻的印象。而某位友人也對此聲音表示滿意,希望能代尋,可惜此套件十分搶手,一直沒有下文。原本想挑戰自己 Layout 的功力,但鑑於 Aleph-P 所使用的 IRF610 與 IRF9610 皆須配對,晶體的取得與配對於我似乎是個更大的挑戰,一直沒有著手。此時,正好火龍兄有此計劃,在與他連繫之下,於是又興起了再做一部 A-P 的計劃。

    這次火龍兄的 Aleph-P 團購計劃包含了三個階段:先是 PCB,再來是 CDE 950 10uF/250V 的金屬化聚丙烯(metallized polypropylene)電容與精密電阻包,最後是 IRF610 與 IRF9610 的配對晶體。個人僅要再備料濾波電容,680pF 回授電容,DIL4 Switch,與 58~68VAC 的變壓器,與兩個中型散熱片,十二個小型散熱片,兩支 1N4004,二十二支 9.1V Zener 及相關配件就算完整了。可以說是相當理想的團購計劃。詳細的零件表可於文末的連結下載。

   
圖一 火龍版的 Aleph-P PCB 加厚的 PCB,電容與電晶體等相關零件。圖中找了些手上有的 0.1uF 電容做腳位比對,實在是 CDE 950 太大了,僅有 WIMA MKP2(腳距 5mm)的大小比較合適,如果是其他的 MKP 可得要銲到 PCB 背面了,如此會增加整個 PCB 完成後的厚度,使得機箱的選擇更加困難;另一個方法是使用臥式 PP 電容,架高在 CDE 950 之上。

    確定零件無誤後按零件低高;Zener - 二極體 - 電阻 - DIL04 - ZTX451/551 - 680p - 2K SVR - CDE 950 - 交連電容的並聯小電容 - 濾波電容 - 穩壓的 IRF610 依序焊上。注意:配對的 IRF610/9610 先不要裝,整個電源供應完成,測試供誤後再裝,以免燒毀配對晶體。


圖二 2k SVR 與 DIL04 Switch 注意一下相關位置,這關係到在稍後的調整篇會提到的調整方向。零件包中有多一對 220R,可以讓您在不想使用 SVR 時取代之。


圖三 680p 雙信雲母電容與 ZTX551


圖四 680p 雙信雲母電容與 ZTX451


圖五 0.1uF 並聯電容的相關位置 由於 CDE 950 的腳位寬正好佔滿整個空位,如果不使用 5mm 腳距的電容,可得要焊在背面或架空了。其實您也可以試試不並小電容的聲音。使用 5mm 與 7.5mm 腳距電容請注意其相對腳位,一端的腳位僅有一個,而另一端的有三個,其擺位方向如圖所示。如果沒有找到合適的 0.1uF 電容,原則上並聯電容為原電容的百分之一以下,所以找個 0.068uF 或 0.047 uF 的也無不可。


圖六 濾波電容 原本預計每聲道使用六個 NCC 4700uF/100V 的 KMH 電容,但結果有點塞不下,所以 C25 與 C27 改用 ELNA 3300uF/80V 的電容。原廠設定的這六個濾波電容值都是 1000uF,要使用多少,各位可以自行決定。


圖七 濾波電容的另一個角度


圖八 IRF610 穩壓晶體與散熱片 由於穩壓晶體所產生的熱量較多,建議使用中 H 型散熱片。由於在 PCB 外還有一組 C-L 濾波,故將 PCB 上的橋整部份短路,C-L 濾波後由原 AC-IN 處進入。

    整個計劃預計使用 C-L-C 濾波,A-P 的工作電壓 60VDC,電流 70mA,先估算一下電感的值:L=R/2pf = (60/0.07)/(2*3.1416*120) = 0.019H。可以做一對 20mH 150mA 的電感。由於整個 PCB 架構上除了 R73(3R3)之外,似乎沒有地方可以串聯電感,於是在外面加了顆整流子,先 C-L 濾波後再接到 PCB 的整流子正極。


圖九 外加的電感 由於手上沒有 20mH 的電感,先以 10H 的代用。

    由於全部的零件繁多,最好在上電前再檢查一下零件位置是正確,腳位有沒有錯誤(尤其是電容)。就可以準備上電測試了。

    使用的是 0-68VAC/1A 變壓器,電表調在 VDC 檔,正極接在 PCB 板中間(R56 與 R71 中間,如圖十所示)的測試點,負極接任一點的 "G" 。上電,注意有無任何冒煙、火花、聲響的發生,有的話趕緊切掉電源,重新檢查一遍。如果沒有的話,您可以看到測試點的電壓會緩慢上升,越來越慢,最後到達 58~60V 之間。如果沒問題,恭禧您可以將配對晶體焊上,要小心,整個電路無負載,電壓下降的速度可以說是蝸牛爬,時間長短依您濾波電容的容量而定。正常的話,即使隔夜再試還是個 50V 左右。建議您可以用電阻接在濾波電容(C28、C30 一組;C29 一組;C25、C26、C27 一組;共三組分別放電)的正負兩端,將電流洩放掉,這樣可以縮短等待的時間。所需的功率 P=E^2/R,最大電壓約 60V。當然,電阻阻值愈小,放電愈快,所需的瓦數愈大,各位可以依手上現有的電阻自行拿捏。


圖十 測試點的位置 於 R56 與 R71 的中間

    在測試的過程中,有個小插曲:手上的 PCB 或許正好是個瑕疵品,測試點到地短路(約 0.3 歐姆),每次電壓上升到 14V 左右就會放個小炮,這可令我燒了兩支 IRF610,也繞了一大圈。不過也很令我佩服這個板子,連續爆了兩次都還看不出來那兒有問題。各位在做之前最好先測一下,免得白做工。


圖十一 火龍版的 AP 板子上有個錯誤處,Q18 為 IRF9610,而 Q16 為 IRF610,做過之前某網站套件的應該很容易看得出來。一般而言,配對晶體就算在規劃時也會配對擺放。


圖十二 IRF610 完成圖

    再上電測試一次,這次主要是看看各配對晶體的工作電流。R44 與 R59 的跨壓應為 0.63~0.65 間,兩邊的值應該一樣;相同地,R55 與 R70 之間的跨壓也應為 0.63~0.65V,兩邊的電壓值應相同。


圖十三 IRF610/9610 工作電流測試 圖示的四個電阻跨在應為 0.63~0.65VDC。

    再來說是增益的調整。原廠提供的建議是 DIL04 部份切換到最大,2K SVR 自行調整。下面是 DIL04 Switch 的增益開關調整:
GAIN SW1SW2SW3SW4
1.3 dB OFFONONOFF
9.7 dB OFFOFFOFFOFF
15 dB ONOFFOFFON

    完成後的 SVR 調整,可以使用電阻表測圖十三中的 R51 與 R66 紅點的地方,順時針為阻值加大(增益變小),逆時針則為減小(增益變大)。

    廠機的建議是將 DIL04 SW 的增益開到最大,而 SVR 則是調小。如果不想將 SVR 拉到外面(如廠機),您也可以使用電阻包中多出來的 220R 來取代。


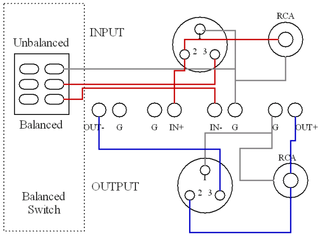
圖十四 非平衡輸入的接線圖 您可以做一個關關切換平衡與非平衡。如果是非平衡輸入,原廠建議將負輸入下地,訊號接正輸入,輸出部份則不須更動。


圖十五 XLR 輸出與輸入端子座不相同

    由於整張 PBC 略大於一張 A4 紙,還有變壓器、音量衰減器、電感、電容、整流子、開關等元件,加上使用了大號的濾波電容,想來想去好僅僅有 DS 的後級機箱可以當火龍版 A-P 的家。


圖十六 裝箱規劃 兩聲道的 A-P 以 55mm 的銅柱相疊,PCB 的電源供應側與變壓器等置於機箱左側,PBC 的訊號輸入輸出側則與電位衰減器與訊號線同列於機箱右側。


圖十七 完工圖 可以開始享受美好的音樂了

    下載 PASS Labs 原廠的使用者手冊維修手冊


零件表下載(Excel)

[BACK TO TOP]


 COPYRIGHT nexus