「緩衝啟動喇叭保護器」裝配使用說明
wensan 2004/12/18
何謂「緩衝啟動喇叭保護器」?
顧名思義可知這是一個把「開機緩衝啟動器」跟「喇叭保護器」結合在一起的電路裝置。
「開機緩衝啟動器」是防止電器在開機瞬間產生極大的湧沖電流的電路,
由於一般的電源電路在整流之後都會用很大的電容做濾波,
在開機的瞬間,濾波電容的充電現象,會產生很大的充電電流,
動輒幾十、甚至上百安培!
這種開機湧沖電流除了會對電路本身的開關及整流元件造成損傷之外,
還會產生極大的電磁波,對週遭的電器造成干擾。
甚至造成家中的市電電壓瞬間下降,導致日光燈閃爍的情況。
為了解決這種問題,目前最普遍的方法是採用「功率型負溫度係數熱敏電阻」,
也就是 「Inrush Limiting NTC」。
這種東西普遍使用在開關式電源這一類產品之中,
工業界的用量非常大,台灣也有好幾家公司生產這種元件。
這個「開機緩衝啟動器」的電路圖中的NTC是標示CL60,
但此套件實際選用的NTC為久尹股份有限公司的產品,
產品編號為 JNR20S050M,規格為 直徑 23mm、25℃時阻值 5Ω、持續耐受電流 7A。
詳細規格可上久尹股份有限公司的網站查詢。
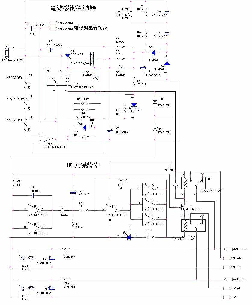
這個「開機緩衝啟動器」其實就是一個由SCR跟DIAC所構成的延時電路,
在開機時讓 NTC熱敏電阻跟電源串聯,
延時幾秒之後再用繼電器將 NTC熱敏電阻短路掉。
目前設定的延時時間約 4~5秒,
如果想改變延時時間可以修改電容 C8或電阻 R7的大小。
「喇叭保護器」的功用有兩項:
開機延時導通,避免開機時,電路尚未穩定而使喇叭遭受電流沖擊。
偵測輸出直流電位,防止放大器萬一輸出直流而燒毀喇叭。
而這個「喇叭保護器」最特別的地方在於電路採用 PC814雙向光隔離器來偵測輸出直流,
所以喇叭保護器兩聲道的直流偵測是互相隔離的,
不像一般的喇叭保護器兩聲道直流偵測的電位參考點是同一個地電位,
那麼遇到二聲道平衡輸出的 BTL放大器,由於兩個聲道的負輸出端電位不同,
不可以接在一起,因此必須使用兩個互相隔離的喇叭保護器,
連兩個喇叭保護器的電源都必須要獨立隔離!
這個「喇叭保護器」的延時電路採用 CD4049 CMOS反向器接成史密特觸發電路所構成,
要改變延時時間只要修改電容 C3的大小即可,
不要改動電阻 R6、R8,以免影響史密特觸發電路的動作。
裝配完成圖
印刷電路板採用 2盎司 FR4玻璃纖維板,零件面印有零件編號跟數值,方便裝配銲接。
注意!在印刷電路上的零件數值 R8 是 330K、C3 是 10UF/16V,但由於實際進料後發現不同廠牌的 CD4049,
在電氣特性上有些差異,這次進的是 TI 的 CD4049,其輸入訊號的轉態點偏低了一些而無法轉態,
故將R8 改為 100K、C3 改為 22UF/16V。但這一批的印刷電路已經做下去了,下一批印刷電路便會修改來,
請各位在裝配時特別注意一下。
零件面整面鋪銅純粹是為了屏蔽,跟電路中的任何接點都是絕緣的,鎖上銅柱會使零件面整面鋪銅跟機箱相連。
PC板零件面
銲接面的鋪銅則是電路中的最低電位。
由於這個電路是直接由市電供電,並未經過變壓器隔離降壓,
所以安裝時除了四個螺絲孔之外,其他任何接點都不可跟機箱接觸,以免漏電!
PC板銲接面
PC板上面的零件裝配可對照下面的完整電路圖及裝配完成的照片。
須注意 IC、SCR、LED、二極體、電晶體、電解電容、光隔離器的方向。
光隔離器第一腳的位置會印上一個小點標示方向。
完整電路圖
PC板尺寸及裝配參考
零件的銲接由最小、高度最低的先裝先銲,由小到大、由低到高依序裝配焊接。
烙鐵的功率太低時,鋪銅處的接點可能不容易銲接,建議使用40W或60W的烙鐵。
裝配銲接完成,要上電測試時,只接電源開關跟電源線,
放大器輸出端、喇叭先不要接,電源變壓器改接 100W傳統燈泡代替。
市電為 AC 110V時,PC板上的 JUMPER必須短路,
市電為 AC 220V時,PC板上的 JUMPER必須開路,
AC電源最好串上保險絲以防萬一,
上電之後要特別小心,別碰觸到電路中任何接點,以免觸電!
在正常的狀況下,電源開關 ON,緩衝啟動指示燈、100W傳統燈泡先亮。
幾秒後,100W傳統燈泡更亮了一些,緩衝啟動指示燈熄滅,
換電源指示燈跟喇叭保護指示燈亮,繼電器 RL3動作。
再幾秒鐘之後,喇叭保護指示燈熄滅,繼電器 RL1、RL2動作。
此時在喇叭保護器的 3P接線端子台外側的兩個接點加上 1.5V直流電時,
繼電器 RL1、RL2跳開,喇叭保護指示燈點亮。
由於各個 PC814光隔離器的靈敏度會有些誤差,
所以喇叭保護器直流偵測的靈敏度在 1V~1.5V之間都是正常。
測試正常之後便可以依照下面的接線圖接線使用。
原則上,電源開關我建議使用單刀雙擲的開關,
如果非用單刀單擲的開關不可時,可依下面的接線圖接線使用。
零件表
Part Number |
Value |
Description |
Part Number |
Value |
Description |
C1 | 2.2uF/250V | 高壓塑膠電容 | JP1 | JUMPER | 跳線PIN |
C2 | 3.3uF/250V | 高壓塑膠電容 | Q1 | PN2222 | 電晶體 |
C3 | 22uF/16V | 電解電容 | Q2 | SCR 0.8A | 矽控整流器 |
C4 | 1000PF | 陶瓷電容 | R1 | 100K | 1/4W電阻 |
C5 | 0.01uF/400V | 高壓塑膠電容 | R2 | 1M | 1/4W電阻 |
C6 | 220uF/63V | 電解電容 | R4 | 100K | 1/4W電阻 |
C7 | 470uF/10V NP | 無極性電解電容 | R3 | 1M | 1/4W電阻 |
C8 | 10uF/50V | 電解電容 | R5 | 10/5W | 5W水泥電阻 |
C9 | 470uF/10V NP | 無極性電解電容 | R6 | 330K | 1/4W電阻 |
C10 | 0.01uF/400V | 高壓塑膠電容 | R7 | 330K | 1/4W電阻 |
D1 | 1N4148 | 開關二極體 | R8 | 100K | 1/4W電阻 |
D2 | 1N4007 | 整流二極體 | R9 | 820/2W | 2W電阻 |
D3 | 1N4148 | 開關二極體 | R10 | 1K | 1/4W電阻 |
D4 | 1N4007 | 整流二極體 | R11 | 2.2K/5W | 5W水泥電阻 |
D5 | 1N4148 | 開關二極體 | R12 | 1K | 1/4W電阻 |
D6 | 1N4148 | 開關二極體 | R13 | 100 | 1/4W電阻 |
D7 | LED | 紅色發光二極體5mm | R14 | 2.2K/0.5W | 1/2W電阻 |
D8 | 12V/1W | 穩壓二極體 | R15 | 2.2K/5W | 5W水泥電阻 |
D9 | LED | 綠色發光二極體5mm | R16 | 1K | 1/4W電阻 |
D10 | LED | 橙色發光二極體5mm | RL1 | 12V/260Ω RELAY | OMRON/G2R-1-E/12VDC |
D11 | 12V/1W | 穩壓二極體 | RL2 | 12V/260Ω RELAY | OMRON/G2R-1-E/12VDC |
ISO1 | PC814 | 光隔離器 | RL3 | 12V/260Ω RELAY | OMRON/G2R-1-E/12VDC |
ISO2 | PC814 | 光隔離器 | RT1 | JNR20S050M | NTC熱敏電阻 5Ω/7A |
J1 | AC 110V or 220V | 接線端子台2P | RT2 | JNR20S050M | NTC熱敏電阻 5Ω/7A |
SW1 | POWER ON/OFF | 接線端子台3P | RT3 | JNR20S050M | NTC熱敏電阻 5Ω/7A |
CON1 | SPEAKER IN/OUT | 接線端子台3P | U1 | CD4049UB | CMOS數位IC |
CON2 | SPEAKER IN/OUT | 接線端子台3P | U2 | DIAC DB3(30V) | 觸發二極體 |
CON3 | POWER OUT | 接線端子台2P |