特殊的環型搭棚擴大機-中 by 金維中 |
在超過預定時間,經歷一般空運兩倍時間之後,終於收到一紙大紙箱,貼滿海關驗貨貼紙的郵包(趕一下羚羊!原來就是海關叩關查驗!) |
除了擴大機與相片一模一樣之外,拆包裹時還有另一個驚喜!在還沒收到擴大機之前,一直試著要從網路上面尋找相關資訊,對於這一部擴大機的說明少的可憐,但是賣我的那一個可愛的瑞士人把原來的說明書一起寄來了!我想應該還有其他擁有者需要線路圖吧?一定要貼出來讓大家瞧一瞧! |
![]() |
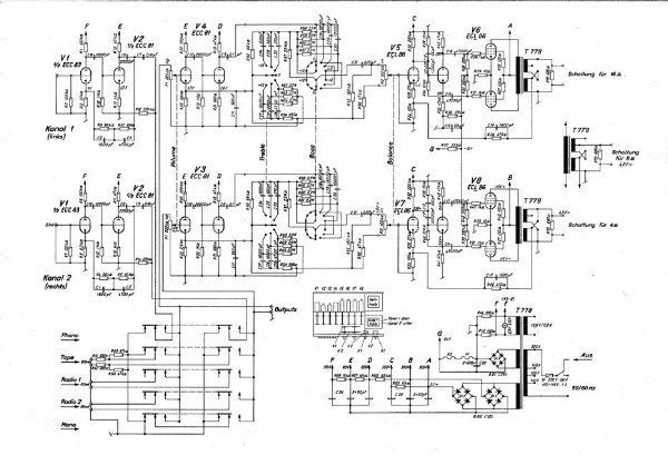
當然最重要的就是這一份電路圖,從左到右,這一部機器使用兩支管子作為Phono的唱頭放大,分別是V1的ECC83以及V2的ECC81,每一聲道各使用雙三極管的一半,前級放大的部分每一聲道就自己使用一支ECC81來驅動由兩支ECL86組成的後級,ECL86是三極五極複合管,這裡和其他五極管一樣,是使用三極部分在信號放大,五極部分輸出至輸出變壓器。 |
![]() |
這就是電源開關兼輸入選擇的部分,他的操作就跟卡式錄音帶的機器一樣,利用按鍵,按下輸入選擇同時就等於啟動開關,按下OFF原本輸入選擇的按鍵就會跳起來,同時關閉擴大機。Revox字下面的立體聲Stereo據說這是全世界第一部立體聲的綜合擴大機,因為是只有一個網站這樣寫,我也不知道是如何的第一法。 |
![]() |
這一個裂開的按鍵可是跟他的相片一樣,塑膠製品都有年紀的限制,這六顆能稱到這一個程度實在已經夠利害了;不過依他的樣式以及使用的樣子,實在太像一般卡式座,說不定這也有共通的規格,改天有機會找找看! |
![]() |
前兩顆旋紐是調整聲音Tone,分別是高音Treble以及低音Bass,這就要參考說明書之中的圖示了! |
![]() |
這是說明書之中付的第二張圖表,跟兩顆音調調整紐的位置一樣,左邊是低音BASS右邊是高音TREBLE,中間波線交會的地方頻率是10的3次方,也就是一千,在這裡的單位是赫芝Hz所以就是 1KHz,因為人聲(Vocal)的平均值就是一K,而且人耳朵能輕易清楚辨識的聲音也就是在這一個頻率,這一張圖表示以頻率左至右油低往高來顯示音調調整的差異;以0dB為中間,正負增減各三階,每一階4dB。 |
![]() |
這是翻過來的底面,用來成為空氣對流近氣孔開的孔有一些大的誇張;四個腳墊原本來的時候是沒有的,只有四個孔,相片上這個四角形橡膠墊是我自己加上去的。 |
![]() |
從這一個角度看,真的不小的洞,原本以為太誇張了,但是真正開機聽音樂,才發現不但不會太大我覺得還太少了,整部唱機的體溫高的趟手,冬天可以用來溫牛奶了! |
![]() |
這就是這一部機器使用的螺絲,一邊兩隻利用很簡單的方法直接固定機箱,當年就已經使用不鏽鋼螺絲,而且還特別使用飛碟型具有坡度的雞眼墊片,皿頭一字型的螺絲恰好可以沉頭,不致使螺絲顯得突騖;使用墊片加大的接觸面積可以防止螺絲孔因為外力變形。 |
![]() |
這就是環型搭棚的特寫,雖然密密麻麻,但是還是可以看清楚哪一個是電阻哪一個是電容,而且每一個零件與其他相鄰零件的距離很平均的幾乎相等,保持好距離不但不容易短路,高壓電部分就不容亂跑,同時散熱也容易。 真空管變壓器所使用的電壓基本上可分約三種,一般常見都會註明A、B兩種;低壓高電流的A燈絲電流;高壓低電流的B+電源;簡稱管機高壓,管機高壓經常都是接近或大於200 Volt以上,通常高壓電很容易從尖端或最接近的距離從電線跳出來,有時還會造成電弧的放電現象) |
![]() |
這是前四隻管子,參考上方的電路圖,這應該是Phono以及Preamp的部分。 |
![]() |
這是上一張圖之中第一隻管的特寫,最上方灰色繞過管座的粗線就是進入柵極的訊號輸入端,跨過兩支管子的交連電容;焊點上面黃褐色不規則的斑點是松香,也就是松樹的油脂,這是天然的焊點保護劑;有一些人會在剛焊好還是高溫時立刻灑上松香粉、松脂;松香會立刻溶化的散開在焊點附近;焊點立刻會變成亮晶晶的,同時焊點也不容易氧化;但是現在市面上面販賣的銲錫,裡面是已經包好了焊點保護劑,這一種做法會讓助焊劑或是焊點保護劑很平均的批覆在焊點上面,所以近代的焊接工作幾乎已經看不到這一種松香到處留的樣子,所以這幾乎也算是判斷年代或是焊接手法的一種線索了。 (可是現代銲錫也有很爛的!有一個非常有名的diy網站賣的含銀銲錫,不知是處方不好還是裡頭的藥劑有問題,我使用高價的溫控烙鐵進行不斷調整溫度龜毛式的謹慎實驗,還是沒有辦法改善「黃湯亂流、焊藥亂冒泡」很噁心的結果!完全破壞施工的心情。) |
![]() |
這是上一張圖的另一個角度,也就是尾端的部分,這一種搭棚架只有頂端是固定在管座上面,尾端是懸空的,參考一下電路圖,就可看出電阻串聯以及接地的接點,不過有一些好奇,這幾個接點是空焊嗎?可以很清楚看見Y型端子腳開開中間就穿過一根,但是好像沒有銲錫?怪怪的,下一次一定要仔細看,莫非是使用非常少的銲錫,嗯!奇怪的疑惑嚴重的困擾當中! |
![]() |
這一張是屁股的特寫,直接瞄準了這幾個搭線架的位置,原來這幾個零件是直接接地的,所以ㄚ字型的搭棚架在這裡的作用只有用來固定位置,當然是不上錫的,直接就接到中間的接地位置。 |
![]() |
這就是管座下方直接接這一個輪狀環型搭棚架的特寫,可以看見中間的金屬管子直接接到管座中間,管座接腳以及搭線直接接地的部分。 |
![]() |
這是管座下方內面的特寫,可以看見這一個陶瓷管座是利用金屬套環「反向從內而外、向上固定」在機箱上面,固定管座的金屬套環上面有一個接線勾,直接有一條裸線連接中間接管座接地,也就是說每一根管子形成各自的獨立系統,而有各自獨立的共通接地端,同時這一系統只有頭端接地,並不是頭尾雙向都接地的(若是頭尾雙向都接地可能會引起「接地的電容效應」那是不正確的做法)。 |
![]() |
這是音調調整開關(Tone- BASS 、TREBLE adjust knob)的電路板,前後兩片一模一樣,因為這是兩個聲道(有人稱作為音道,但實在容易口誤)每一聲道由分離的兩塊板子負責;這一個年代之前都是單聲道並沒有立體聲,以前也沒有單聲道的說法,是立體聲這一個字出現之後才有相對的單聲道的字眼來區分兩個不同,SINGLE v.s STEREO 或是MONO,也就是利用兩個系統來傳達同一時間左有不同聲音的這一種理念。 |