LS-7¸Ë¾÷³ø§i--Part1 ¹s¥ó½g by ericchiu

¦Û±q§¹¦¨¤FVT-60¯uªÅºÞ«á¯ÅÂX¤j¾÷¡AÁ`ı±o¯Ê¤Ö¤@¥x¥i¥H©M¥¦·f°tªº«e¯Å¡A³Ì¦n¬O¸ò¥¦¨t¥X¦Pªùªº¾÷¾¹³Ì¦n¡F­è¦ndiysong¤S±À¥X¤F³o¤@¥xLS-7ªº«e¯Å¡A«K­¢¤£¤Î«Ý­n±N¥¦§¹¦¨¡AÅý¥¦©MVT-60¦P¥xºt¥X¡C

LS-7¬O¤@³¡§¹¾ã©Ê«D±`°ªªº®M¥ó¡A¦Û¦æ·Ç³Æªº§÷®Æ¶È­n2­ÓIC®y¤Î¾÷¤º°t½u¡A¦P®É·Ç³Æ¦n¯OÅK¡B¹X¤l¡B°_¤lµ¥°ò¥»¤u¨ã´N¥i¥H§¹¤u¡A¥B¥»¾÷¨S¦³»Ý­n½Õ¾ãªº¦a¤è¡A²³æ»¡¥u­n¨S¦³²k¿ù¡Bµê²kµ¥°ÝÃD¡A´N¯à¦¨¥\¡C

¬ÛÃö¸ê®Æ

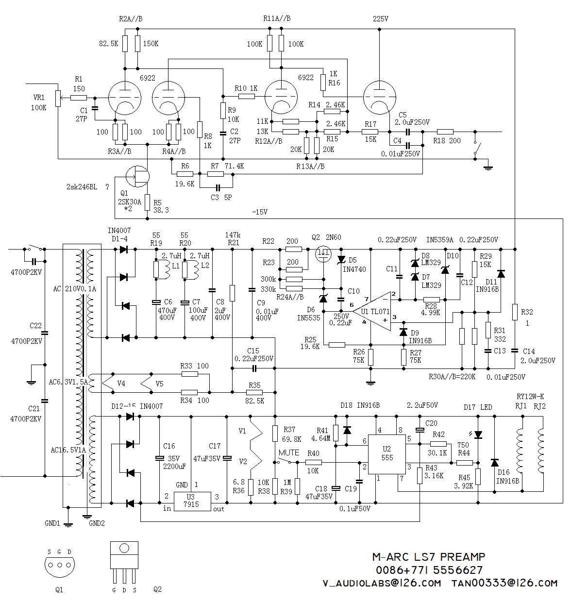
¹q¸ô¹Ï(jpgÀÉ)
¹s¥óªí(pdfÀÉ¡A½Ð«ö¥kÁä¥t¦s·sÀÉ)

®M¥óÀˬd

­è¦¬¨ì§¹¾ãªº®M¥óÀ³¥]§t¤U¦Cªº¤¸¥ó

¾÷´ß¤Î°t¥ó
¯uªÅºÞ
PCBªO
¹s¥ó¥]

¾÷´ß¥~Æ[

PCBªO¡B¹s¥ó¥]¡B¾÷´ß°t¥ó¤Î¯uªÅºÞ

¾÷´ß°t¥ó

¯uªÅºÞ

PCBªO

¹s¥ó¥]

¹s¥ó¥]Àˬd

¥»½g¸Ë¾÷³ø§i¥D­n¬O±N¥DPCBªO¤Wªº¤¸¥ó¦w¸Ë¬°¥D¡A¤À¦¨¤¸¥óªºÀˬd¤Î¤¸¥ó²k±µ¡F¹s¥ó¥]¤º¸Ë ¡A¥D­n¦³¥b¾ÉÅé¤Î°t¥ó¥]¡B¤p¥\²v¹qªý¥]¡B3W¹qªý¥]¤Î¹q®e¾¹¥]¡C

¥b¾ÉÅé¤Î°t¥ó

¤p¥\²v¹qªý¥]

3W¹qªý¥]

¹q®e¾¹¥]

¥ý¤£­n«æµÛ¦w¸Ë¡AÀ³¸Óªá¤@¨Ç®É¶¡Àˬd¹s¥ó§¹¾ã¬O«D±`­«­nªº¨Æ¡A½Ð¨Ì¹s¥óÀˬdªí¨ÓÀˬd¡A¦b¹qªý¤Î¹q®e¾¹³¡¤À¥i¥H¥ý¥Îñ¦rµ§¼Ð¥Ü¤W¥N¸¹¡A¥H¤è«K¥H«áªº¦w¸Ë¡A­Yµo²{¿ù»~©Î¯Ê¤Öªº¹s¥ó¥i¥H¦Vdiysong¤ÏÀ³¡A¤d¸U¤£­nµ¥²k¨ìPCBªO«á¤~µo²{¿ù¤F¡A©¡®É­n©î¤U¨Ó¡A±N¬O²§±`§xÃøªº¡C

¼Ð¥Ü¹qªý

¼Ð¥Ü¹q®e

¹qªý¥Ñ©ó¦âÀôªºÃC¦â¤£®e©ö¤À¿ë¡A¥i¥H§Q¥Î¤T¥Î¹qªí¨Ó½T©w¹qªý­È ¡A¦A¦w¸Ë¨ìPCBªO¤W¡A¹qªý¤@©w­nÂù­«½T»{¤~²k¤W¥h¡C

PCBªO¤Wªº¤¸¥ó°t¸mªº¤è¦¡­ì«h¤W¡A¹qªýªº¦âÀô¬O¥Ñ¥ª¦Ü¥k¡B¥Ñ¤W¦Ü¤Uªº¤è¦V¤@­P±Æ¦C¡A¨ä¥¦¤¸¥ó«h¥H²M·¡¬Ý¨£¼Ð¥Ü¬°­ì«h¡C

²k±µ®ÉÀ³§â´¤¤U¦C­ì«h¡A¥Ñ§C¨ì°ªªº¶¶§Ç²k±µ¡A«OÅ@¥Î¤G·¥Åé¤Î¹qªý¥\²v§C©ó1Wªº¤¸¥ó¥i¥Hª½±µ¥­¶K©óPCBªO¤W¡A¨ä¥¦¦³®ø¯Ó¥\²vªº¤¸¥óÀ³°ª©óPCBªO3~5mm¡C

PCBª©¤W¦L¨ê­±¦bR11LA¤W¤èªºÀ³¸Ó¬OR11LB¡A¦L¨ê»~´Ó¬°R13LB¡A½Ð­×¥¿¹L¨Ó

¬°¤F²k±µ¤è«K¡A¥i¥H§Q¥Î8¤ä6cmªº»É¬W¤W¤UÂê°_¨Ó¡A¦p¹Ï©Ò¥Ü¡A²k±µ®É¥i¥H«Ü¤è«K¥¿©ñ¡B­I©ñ¡A¬Æ¦Ü°¼©ñ¬Ò¥i¡A¥i¥HÀ°§U¦Û¤v²k±µ¡C

¨BÆJ¤@¡B¦w¸Ë0.25W¤Î0.5W¹qªý

R7¹qªý¬O¤À§O¥Ñ33K¤Î38K¨âÁû¹qªý¦êÁp°_¨Ó ¡F¹qªý¥i¥H¥ý¦b¥¿­±²k¦n«á¡A¦A¨ì­I­±¥þ³¡²k±µ¡A¥¿­±²k¿ü¤£­n¤Ó¦h­è¦n²k¦í´N¥i¥H¤F¡A¦p¹Ï¤¤ªº¼Ë¤l§Y¥i¡C

¨BÆJ¤G¡B¦w¸Ë¤G·¥Åé¡B¹q·P¤ÎIC

²k±µIC®É¡A¦]¬°PCBªO«p«×°ª¹F3.4mm ICªº±µ¸}¬Æ¦ÜµLªk¬ï¹LPCB¡A©Ò¥H·|¤£®e©ö²k±µ¡A³Ì¦n¨Ï¥ÎIC®y¡A¨Ã¦b²k±µ®É¦h¥Î¤@¨Ç²k¿ü¦P®É»Ý­n¥[¼ö¤[¤@ÂI¡AÅý²k¿ü·|ªuµÛ³e¤Õ¬y¦ÜIC®y±µ¸}¨Ó²k¦í¡A¦]¬°²k±µ®É¶¡¸û¤[¡A¤£«ØÄ³ª½±µ¨Ï¥ÎIC²k±µ¡A©È·|¿NÃaIC¡C¹q·P¾¹¡B«OΪº¤G·¥Åé1N4148©M1N5535(24V/0.4W)¥i¥H¥­¶K¦bPCBªO¤W¡A¨ä¥¦ªº¤G·¥Å饲»Ý©Ô°ª¡C

¤G·¥Åé¬O¦³¤è¦V©Êªº¤¸¥ó¡A¤è¦V¤£¥i¥H¿ù»~¡A±µ¿ù®É·|³y¦¨µu¸ô¡A¤G·¥Åé¤W¦³¤@±ø¼Ð¥Ü½u¡A¥Nªí³±·¥¡AÀ³©MPCBªO¤W²Å¸¹¬Û¦P¡C

¤U¹Ï¤¤¥i¥H¬Ý¥X¾ã¬y¤G·¥Åé1N4007¦³©Ô°ª¡A¤è«K´²¼ö ¡C

¨BÆJ¤T¡B¦w¸Ë3W¹qªý

R14¤ÎR15ªº¦ì¸m¶È¥Î¤@­ÓR14 1.2K¨ú¥N¨Ï¥Î ¡C

¤U¹Ï¤¤¦P¼Ë¥i¥H¬Ý¨ì¹qªý¦³©Ô°ª¡A¤è«K´²¼ö¡C

¨BÆJ¥|¡B¦w¸Ë¥b¾ÉÅé

LM329©³³¡¶ZPCBªO5mm¥ª¥k¡C

¦P¼Ë2SK30A©³³¡¶ZPCBªO5mm¥ª¥k¡C

¨BÆJ¤­¡B¦w¸Ë¹q®e

¤U¹Ï¤¤¬°¶³¥À¹q®e¡A ¨ä¤¤27PFªº¹q®e¦³¨âºØ¤j¤p³W®æ¡F¹Ï¤¤¤U¤èªºC1L¤ÎC1R¬°¸û¤pÁûªº27PF¡A¹Ï¤¤¤W¤èªºC2L¤ÎC2R¬°¸û¤jÁûªº27PF¡A¹Ï¤¤¨â°¼¬°5PF¡C

BENNIC¹q®e¦w¸Ë®É¥H¼Ð¥Ü¥¿¹ï¤W¤è¡AWIMA¹q®e¥H¼Ð¥Ü¥¿¹ï«e¤è©Î¤W¤è¬°¥D¡A¹q¸Ñ½è¹q®e«hÀ£¨ì©³¦A²k±µ ¡C

¨BÆJ¤»¡B¦w¸ËÄ~¹q¾¹¡B7915¤Î2N60

²k±µÄ~¹q¾¹®É©M«e­±²k±µIC®É¦³¦P¼Ëªº°ÝÃD¡A²k±µ®ÉÀ³¦h¥[¤@¨Ç²k¿ü¤~¯à½T«O²k§U¡A7915¤Î2N60³£­n¦w¸Ë¦b´²¼ö¤ù¤W¡A¨Ã¥B­n¹Ô¤Wµ´½tª¿½¦¤ù¡C

¸Ë¤WÄ~¹q¾¹¤Î7915

¸Ë¤W2N60

¨BÆJ¤C¡B¦w¸Ë¯uªÅºÞ®y

±q¤U¹Ï¬Ý¨ì¯uªÅºÞ®y¦³¤@­Ó¯Ê¤f¡A¦w¸Ë®ÉÀ³±N¹ïPCBªO¤Wªº¯Ê¤f¡C

§¹¤u

¬Ý¬Ý§¹¤u«áªº¦¨ªG¡A¤À§O¬°«eµø¹Ï ¡B¥¿µø¹Ï¡A¾ã¥x¾÷¾¹¤w¸g§¹¦¨¤@¥b¤F¡A¶ZÂ÷µoÁnªº¤é¤l±µªñ¤F¡C

¦w¸Ë¨ì³oùØ¡APCBªO®t¤£¦h³£§¹¤u¤F¡Aµ¥¤U¤@½g°t½u½g¤¤±N·|¤¶²Ð¡A«ÝÄò ..................

½s«ö;§Ú­Ì«D±`ÁÂÁªô¥S¦b¦Ê¦£¤§¤¤ÁÙ¬°§Ú­Ì¼s¤jªººô¤Í¼¶¼g³o½gLS-7ªº¸Ë¾÷³ø§i¡A
§Ú­Ì§Æ±æ³z¹Lericchiu¥Sªº¤å³¹¡AÅý§ó¦hªB¤Í¯à°÷¨É¨ü¨ì³o¥xÀu¨qªºLS-7.

¦A¦¸ÁÂÁÂericchiu¥S!!